○東北町木造住宅耐震診断支援事業実施要綱
令和7年5月7日
告示第77号
東北町木造住宅耐震診断支援事業実施要綱(令和2年東北町告示第57号)の全部を改正する。
(目的)
第1条 この要綱は、耐震診断を希望する町内の木造住宅の所有者に対し、町が予算の範囲以内において耐震診断員を派遣し耐震診断を実施することにより、地震に対する住宅の安全性に関する意識の啓発、耐震診断に関する知識の普及及び耐震改修の促進を図り、震災に強いまちづくりを推進することを目的とする。
(用語の定義)
第2条 この要綱における用語の意義は、次の各号に定めるところによる。
(1) 耐震診断 木造住宅の地震に対する安全性を評価することをいう。
(2) 耐震診断員 建築士法第23条(昭和25年法律第202号)の規定に基づく登録を受けた建築士事務所に所属する建築士で、青森県が作成する青森県木造住宅耐震診断員名簿に記載された者をいう。
(対象住宅)
第3条 耐震診断員の派遣の対象となる住宅(以下「対象住宅」という。)は、東北町内に在し、次に掲げる要件全てに該当するものとする。
(1) 平成12年5月31日以前に建築された住宅であること。
(2) 一戸建て専用住宅又は併用住宅(延べ面積の2分の1以上を住宅の用に供し、かつ、その他の用途に供する部分の床面積が50m2以下であるものに限る。)で地上階数が2以下であること。
(3) 在来軸組構法又は伝統的構法によって建築された木造住宅であること。
(4) 現に所有かつ居住の用に供していること。(相続されていないものは除く)
(5) 原則として、延べ面積が200m2以下であること。ただし、延べ面積が200m2を超える場合は、当該申込者負担の増額で対応するものとする。
(6) 過去に、要綱に基づく耐震診断を受けていない住宅であること。
(7) 建築基準法(昭和25年法律第201号)に違反していないこと。
(申込手続)
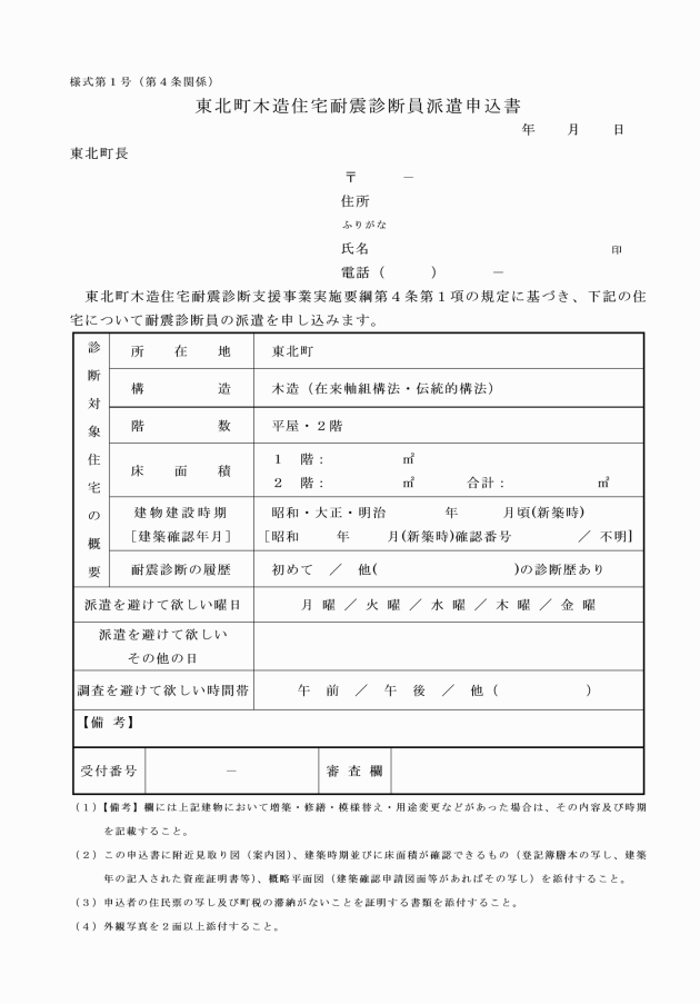
第4条 この要綱に基づき耐震診断員の派遣を希望する対象住宅の所有者で町税等の滞納がない者(当該対象住宅が共有の場合は、当該共有者のうち1人をいう。)は、構造的に独立した棟ごとに、東北町木造住宅耐震診断員派遣申込書(様式第1号)に次に掲げる書類を添えて、町長に申し込むものとする。
(1) 建築確認年月日又は建築竣工年月日が確認できるものであって、次に掲げるいずれかの書類
ア 建築確認通知書又は完了検査証の写し
イ 登記簿謄本の写し又は登記事項証明書
ウ 資産証明書
(2) 申込者の住民票の写し及び町税の滞納がないことを証明する書類
(3) 案内図、各階平面図(概略でも可、建築確認申請図面等があればその写し)
(4) 2面以上の外観写真
2 町長は、前項の決定通知書の内容に変更が生じたと認めるときは、当該通知書の内容を変更することができる。
3 町長は、審査の結果、対象住宅に該当しないと認めたときは、その旨を東北町木造住宅耐震診断員非派遣決定通知書(様式第3号)により対象者に通知するものとする。
(派遣の辞退)
第6条 対象者は、決定通知書を受けた後において耐震診断員の派遣を辞退するときは、速やかに東北町木造住宅耐震診断員派遣辞退届(様式第4号)を町長に提出しなければならない。
(派遣の取消し)
第7条 町長は、対象者が次のいずれかに該当すると認めたときは、第5条第1項の派遣の決定を取り消すことができる。
(1) この要綱の規定に違反したとき。
(2) 虚偽又は不正の手段により派遣の決定を受けたことが判明したとき。
(3) その他町長が不適当と認める事由が生じたとき。
2 対象者は、前項の対象者負担額を派遣された耐震診断員の所属する建築士事務所に直接支払うものとする。
(業務委託)
第9条 町長は、本事業に関する業務の全部又は一部を委託することができる。
(診断結果の通知)
第10条 耐震診断の結果は、東北町木造住宅耐震診断結果通知書(様式第6号)により派遣対象者に通知するものとする。
(依頼者に対する指導及び助言)
第11条 町長は、対象者に対して、耐震診断結果に基づき対象住宅の地震に対する安全性の向上が図られるよう、必要な指導及び助言をすることができる。
(派遣診断員等の責務)
第12条 耐震診断員及び当該業務の関係者(以下「耐震診断員等」という。)は、当該耐震診断に関し職務上知り得た情報を第三者に漏らしてはならない。耐震診断に従事しなくなったときも又同様とする。
2 派遣された耐震診断員等は、次に掲げる行為をしてはならない。
(1) 当該耐震診断の実施に関し、対象者から第8条に規定する費用負担以外の金額を受け取ること。
(2) 対象者に対して、不必要な診断、設計及び工事を勧めること。
(3) 診断業務を他に委託し又は請け負わせること。
(4) その他診断員等としてふさわしくない行為を行うこと。
(補則)
第13条 この要綱に定めるもののほか施行に関して必要な事項は、町長が別に定める。
附則
この要綱は、令和7年6月1日から施行する。
別表(第8条関係)
(単位:円、消費税込み)
区分 | 延べ面積 (一戸あたり) | 診断費用総額 | 公的負担限度額 | 対象者負担額 |
耐震診断員派遣費用 | 200m2以下 | 147,000円 | 136,000円 | 11,000円 |
200m2超250m2以下 | 168,000円 | 136,000円 | 32,000円 | |
250m2超300m2以下 | 189,000円 | 136,000円 | 53,000円 | |
300m2超350m2以下 | 211,000円 | 136,000円 | 75,000円 | |
350m2超400m2以下 | 232,000円 | 136,000円 | 96,000円 |
※延べ面積が200m2を超える場合の増額は、対象者の負担とする。





